Surface mount inductors
Surface mount inductors for contactless heating

Surface inductors from Kendrion
Surface inductors from Kendrion offer an innovative solution for applications where precise, efficient and surface heating is required. They are used in a wide range of industries, including food heating, packaging machines and embossing processes in the graphics industry. Thanks to the even, flat energy input, surface inductors enable a significant reduction in the material thickness of the heated moulds. This leads to higher process dynamics and simultaneously reduces energy consumption - a decisive advantage for efficient production processes.
Kendrion uses state-of-the-art numerical field calculation methods to customise surface inductors precisely to individual customer requirements. This guarantees optimum performance and reliable operation, even in demanding applications.
With a process temperature of up to 250 °C in continuous operation and the option of working without water cooling, Kendrion's surface inductors are a particularly robust and economical choice for your production processes.
Discover the benefits of surface inductors for your applications - precise, efficient and customisable.
Title
ascending
descending
|
Type
ascending
descending
|
Dimensions (W x H x D)
ascending
descending
|
Heated Section
ascending
descending
|
Rated power
ascending
descending
|
Temperature range
ascending
descending
|
Area output
ascending
descending
|
Inductor current
ascending
descending
|
Inductor voltage
ascending
descending
|
Efficency
ascending
descending
|
Duty cycle
ascending
descending
|
Electrical connection
ascending
descending
|
Electrical control
ascending
descending
|
Product status
ascending
descending
|
Certifications
ascending
descending
|
Details | |
---|---|---|---|---|---|---|---|---|---|---|---|---|---|---|---|---|
![]() |
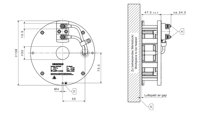
FLACH 158 HS10016
|
Inductor for inductive heating of surfaces | 158 mm x 158 mm x 72 mm | approx. 190 cm² | 3, 4 kW | 0 ... 240°C | up to 163 kW/m² | 14 A | < 1000 Veff | approx. 98 % | 100 % duty cycle | Screw connection M5 (max. tightening torque 3.5 Nm) | For connection to Kendrion induction generators | Standard Produkt / in Vorbereitung | Low Voltage Directive | to the product |
![]() |
FLACH HS 10009/1
|
Inductor for inductive heating of surfaces | 720 mm x 152 mm x 156, 5 mm | approx. 432 cm² | 20, 0 kW | 0 ... 200°C | up to 182 kW/m² | 82, 3 A | 900 Veff | approx. 98 % | 100 % duty cycle | Screw connection M6 (max. tightening torque 3.5 Nm) | For connection to Kendrion induction generators | Special edition | Low Voltage Directive, IEC 61010-1 | to the product |
![]() |
FLACH HS10003/2
|
Inductor for inductive heating of surfaces | 600 mm x 100 mm x 156, 5 mm | approx. 432 cm² | 6, 5 kW | 0 ... 200°C | up to 150 kW/m² | 26, 8 A | < 1000 Veff | approx. 98 % | 100 % duty cycle | Screw connection M5 (max. tightening torque 3.5 Nm) | For connection to Kendrion induction generators | Special edition | Low Voltage Directive | to the product |