Inductor round 480 mm HS/HT
Inductor for heating rollers
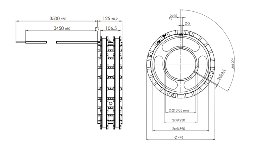
The round inductor heats rollers with an internal diameter of 480 mm. Several inductors can be mounted on a carrier tube. The modular approach allows different roller widths to be heated. In addition, it enables individual heating of individual roller areas, which enables particularly homogeneous surface temperatures. Due to the high efficiency of the induction systems of approx. 98% of the electrical energy is converted into heat very efficiently.
The power density of 37 kW/m² enables rapid heating and precise temperature control up to approx. 250°C, and even up to 300°C in the HT version.
- High efficiency of approx. 98%
- Direct heating of the roller
- Modular design
- Cost-optimized
- Power Control 1 – 100%
- Constant temperature profile
- Maintenance-free
Technical details
| Description | Value |
|---|---|
| Inner diameter roller | 480 mm |
| Heated Section | approx. 106 mm circumferential |
| Rated power | 6 kW |
| Temperature range | 0 ... 240°C, in HT Version up to 300°C |
| Power density | 37 kW/m² |
| Heating circuits | 1 |
| Inductor current | 24 Aeff |
| Inductor voltage | 1000 Veff |
| Efficency | approx. 98 % |
| Duty cycle | 100 % duty cycle |
| Electrical control | For connection to Kendrion induction generators |
| Electrical connection | stranded wires |
| Dimensions (W x H x D) | Details can be found in the drawing |
| Product status | In preparation |
